欢迎光临密封产业网
我的会员中心
供应

燃气过滤器 轴流式燃气过滤器 T型燃气过滤器 y型过滤器滤芯

  • 二维码
  • 手机
    查看
最后更新时间:2023-06-27
人气值 74
品牌:
鑫星
DN:
25
 
 
售后服务:由河北鑫星燃气设备股份有限公司从河北衡水市发货,并提供售后服务
  • 产品简介

     

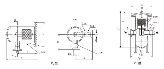
    我公司新生产研发的XXG-G系列轴流式气体过滤器为反流式过滤器,主要用于各类输气管道系统的气体过滤,保证管路系统设备的正常运行。该系列过滤器过滤面积大,效率高,压损小,使用安装简便。该系列产品分C1型轴式连接(如图C1型)和C2型直角式连接(如图C2型)两种安装形式。另外还有G型过滤、Y型过滤器。技术指导:155  0328  7303

     

    主要技术参数

     

    设计压力等级:1.6MPa、2.5MPa、4.0MPa、6.3MPa

    额定工作压力:1.6MPa、2.2MPa、3.2MPa、4.5MPa

    过滤精度:5μm、20μm、50μm、100μm

     

    结构示意图

     

  • 河北鑫星燃气设备股份有限公司是国内较早生产燃气调压设备的主要厂家之一,公司位于衡水市枣强县创业园,注册资金为3689.8万元,占地面积86亩,工厂建筑面积28000平方米,年销售额超亿元。制造各种不同类型的高、中、低压调压器(箱、柜、站)燃气调压计量撬(箱),CNG减压站,LNG气化站,安全切断阀、超压放散阀、过滤器、过滤分离器、热交换器、旋风、旋流分离器、收发球装置燃气调压设备和一、二类压力容器系列产品,产品种类多、规格全、生产规模大。
普通会员 
    • 联 系  人: 张经理
    • 在线客服:
    • 手机号码:
    • 联系电话:
    • 传      真:
    • 企业地址: 枣强县东环路
    • 工商认证
    • 手机实名
我要询价
最新询价
客服中心
服务热线:
业务咨询:
业务咨询:
在线客服:
    网站客服:
手机版
(c)淄博途讯网络 版权所有

鲁公网安备 37030402001057号

   鲁ICP备17031163号-9