RETZ电磁脉冲阀亦称隔膜阀或膜片阀,分为直角式和淹没式两种,直角式电磁脉冲阀是,脉冲袋式除尘器清灰喷吹系统的压缩空气“开关”,而淹没式则阀体进气口淹没在气包内,直接受电信号控制的膜片阀,受脉冲控制仪输出信号的控制,对滤袋逐排喷吹清灰,使除尘器阻力保持在设定的范围之内,以保持除尘器的处理能力和收尘效率
进口电磁脉冲阀原理--
膜片把电磁脉冲阀分为前、后二个气室,当接通压缩空气时,压缩空气通过节流孔进入后气室,此时后气室压力将膜片组件紧贴阀的输出口,电磁脉冲阀处于“关闭”状态。脉冲喷吹控制仪的电信号使电磁脉冲阀衔铁后移,闭后气室放气孔打开,后气室迅速失压,膜片组件后移,压缩空气通过阀输出口喷吹,电磁脉冲阀处于“开启”_状态。脉冲喷吹控制议电信号消失,电磁脉冲阀衔铁复位,后气室放气孔关闭,后气室压力升高是膜片组件紧贴阀的输出口,电磁脉冲阀又处于“关闭”状态。
进口电磁脉冲阀内部结构图--
1.固定铁芯 2.活动铁芯 3.放气孔 4.阀盖 5.膜片 6.主阀口 7.阀体
进口电磁脉冲阀用途--
1.直角型电磁脉冲阀其进出口之间的夹角为90°,它适合于储气筒与除尘器喷吹管的安装连接。气流畅通,能提供符合要求的清灰气脉冲。
2.淹没型电磁脉冲阀采用淹没于气包中的安装方法,故称淹没式。它与其他结构形式比较,减少了流通阻力,降低了喷吹气源压力,因而能适用于压力低的场合,且可降低能源消耗和延长膜片寿命。
进口电磁脉冲阀参数--
阀体材质:铝合金
膜片:丁晴膜片
弹簧:不锈钢
环境温度:0-65℃
压力:0.02-0.8Mpa
接口:20-65mm
介质:空气
电压:AC220V/230V/240V/110V/24V/ 50/60HZ 33VA DC24V/12V 30W
连接:G螺纹
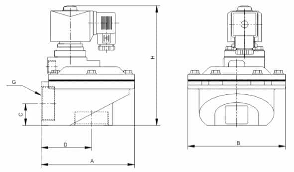
进口电磁脉冲阀外形尺寸--
|
接口 |
A |
B |
C |
D |
H |
|
G3/4 |
110 |
75 |
22 |
52 |
120 |
|
G1 |
110 |
75 |
22 |
52 |
120 |
|
G1-1/2 |
131 |
136 |
30 |
70 |
159 |
|
G2 |
168 |
168 |
56 |
95 |
220 |
|
G3 |
168 |
168 |
56 |
95 |
220 |
进口电磁脉冲阀安装方法--

电磁脉冲阀输入端(IN)与气包金属管相连接,其输出端与除尘器喷吹管相连接,连接螺纹间应填密封材料(聚四氟乙烯生料带或密封膏),利于紧固件密封.